Начало темы

Список препаратов по теме

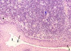
23.2.4.6. Препарат подчелюстной железы

I. Малое и среднее увеличения: два типа ацинусов

3,а-б. Препарат - подчелюстная слюнная железа. Окраска гематоксилин-эозином.

а) (Малое увеличение)

Полный размер

б) (Среднее увеличение)

Полный размер

На этих снимках -

участок дольки подчелюстной железы и
междольковая соединительная ткань (5).

Дольки Строение долек отличается от такового в околоушной железе:

во-первых, по типу концевых отделов (ацинусов);

во-вторых, по содержанию вставочных протоков.

Ацинусы Так, ацинусы - не одного, а двух типов: светлые и тёмные,
причём первых - гораздо больше.

Редкие тёмные ацинусы - это серозные концевые отделы (1)
(такие же, как в околоушной железе).

Светлые ацинусы - это смешанные концевые отделы (2), где преобладают слизистые клетки со светлой ячеистой цитоплазмой.

Внутри-
дольковые протоки
Что касается внутридольковых протоков, то среди них

вставочные протоки (3) встречаются реже, чем в околоушной железе, - поскольку отходят только от серозных концевых отделов (п. 23.2.4.3.I),

а исчерченные протоки (4) представлены с той же частотой, что и в околоушной железе.

Междолько-
вые пере-
городки
В междольковой соединительнотканной перегородке (5) особенностей нет: как обычно, в ней проходят

междольковые протоки (6) с двуслойным эпителием,

а также кровеносные сосуды - артерия (7.А) и вены (7.Б).


II. Большое увеличение: структура ацинусов; исчерченный проток

3,в-г. Препарат - подчелюстная слюнная железа. Окраска гематоксилин-эозином.

в)

Полный размер

г)

Полный размер

1. а) При данном увеличении хорошо различима структура ацинарных клеток и образуемых ими ацинусов.

б) Так, нетрудно убедиться, что положение и вид клеток вполне соответствуют описанию, приведённому в п. 23.2.4.2.II и повторяемому здесь ещё раз. -

Сероциты (1.А-1.Б) Мукоциты (2) Миоэпителиоциты (3)
Образуют

серозные ацинусы (1.А) и

т.н. "полулуния" (1.Б) на периферии смешанных ацинусов.

а) Образуют основную часть смешанных
ацинусов.
Находятся на периферии ацинусов обоего типа -

между секреторными клетками и базальной мембраной.

Имеют

небольшие размеры,

тёмную цитоплазму (из-за сильной базофилии),

округлые ядра.

Более крупные,

имеют светлую ячеистую цитоплазму и

уплощённые ядра у основания клеток.

Сильно уплощены,

ядра - узкие.


2. а) Кроме ацинусов, в поле зрения находятся исчерченные протоки (4).

б) Их структура - вполне обычна: клетки имеют

призматическую форму,
оксифильную цитоплазму и
базальную исчерченность (достаточно хорошо видимую на снимках).

в) На снимке г) рядом с протоком находится венула (5).

23.2.4.7. Развитие слюнных желёз

1. В п.. 23.1.3.2 кратко отмечалось, что слюнные железы развиваются из двух источников -

эктодермы (концевые отделы и выводные протоки) и
мезенхимы (капсула, строма и сосуды).

2. Ниже уточняется развитие эпителиальной части желёз.-


3. Как видно,
тип концевых отделов желёз меняется по мере их созревания,
причём, противоположным образом:

в околоушных железах слизистые отделы заменяются на серозные,

а в остальных двух парах желёз - серозные - на смешанные и слизистые отделы.

23.2.5. Нёбные миндалины

Структура и функциональная роль нёбных миндалин уже рассматривались нами в п. 21.1.2.3.
Тем не менее, напомним основные моменты.

23.2.5.1. Структурные элементы

I. Рисунок - положение нёбных миндалин.

II. Рисунок с препарата - участок нёбной миндалины;
окраска гематоксилин-эозином.

Общее строение.

Нёбная миндалина (1) представляет собой

несколько складок (2) слизистой оболочки

с углублениями (криптами) (3) между ними;

причём, крипты часто разветвлены.

Полный размер

Слизистая оболочка.

1. Эта оболочка имеет те же слои, что и в других отделах полости рта:

многослойный плоский эпителий (4) и
собственную пластинку (5).

2. а) Но в собственной пластинке (в образующей её рыхлой волокнистой соединительной ткани) содержатся

многочисленные лимфатические фолликулы (6) (В-зона) и
лежащие между ними участки лимфоидной ткани (7) (Т-зона).

б) Соответственно, часто инфильтрирован лимфоцитами и эпителий.

Подлежащие ткани.

1. а) Под лимфатическими узелками находится подслизистая основа (8).
б) В ней располагаются

сосуды,
нервы и
мелкие слюнные железы (со слизистыми отделами).

б) Снаружи от подслизистой основы лежат поперечнополосатые мышцы (9) глотки.

23.2.5.2. Препарат

4,а-б. Препарат - нёбная миндалина. Окраска гематоксилин-эозином.

а) (Малое увеличение)

Полный размер

б) (Большое увеличение)

Полный размер

Многое из вышеперечисленного видно на этих снимках:

а) крипта (1) слизистой оболочки, покрывающей миндалину;

б) в составе слизистой оболочки -

многослойный плоский неороговевающий эпителий (2),

лимфоциты (3), инфильтрирующие эпителий,

собственная пластинка (4) и в ней:

лимфатические фолликулы (5) и
внефолликулярная лимфоидная ткань (6).

23.2.6. Зубы

23.2.6.1. Общие сведения

Рисунки - постоянные зубы верхней и нижней челюсти (на первом рисунке часть костного вещества удалена).
Части зуба.

В каждом зубе различают три части:

коронку (1) - наружную часть, выступающую над десной,

шейку - узкую среднюю часть, охватываемую десной,

корень (2) - один или несколько, - который находится в альвеолярной ячейке челюсти.

Типы зубов.

а) По форме коронки зубы делят на 4 типа:

резцы (I),
клыки (II),
малые коренные зубы (премоляры) (III),
большие коренные зубы (моляры) (IV).

б) При этом у моляров - 2 (на нижней челюсти) или 3 (на верхней челюсти) корня;
у остальных зубов - по 1 корню.

Генерации зубов.

У человека зубы появляются двумя генерациями:

вначале (от 6-8 месяцев до 2-х лет) - молочные,

затем (от 6-7 лет до 18-30 лет) - постоянные.

Зубная формула.

Зубные формулы (описывают качественный и количественный состав зубов в норме).-

Молочные зубы: Постоянные зубы:
(2р + 1к + 2м) 4 = 20 ; (2р + 1к + 2п + 3м) 4 = 32

Здесь в скобках - состав зубов на одной половине одной из двух челюстей.

При этом: "р" – резцы, "к" - клыки, "п" - премоляры, "м" – моляры.

23.2.6.2. Тканевые компоненты зуба

5. Препарат - декальцинированный однокорневой зуб в альвеоле челюстной кости; продольный срез.
Окраска гематоксилин-эозином.
Связь зуба с челюстью.

1. Корень (2) зуба погружён в лунку (альвеолу) челюстной кости (1).

2. Непосредственно вокруг корня и шейки (3) зуба находится

периодонт - плотная соединительная ткань, связывающая зуб с костью.

3. а) Причём, в области шейки периодонт образует

циркулярную зубную связку (4).

б) Её коллагеновые волокна идут радиально: из зуба в костное вещество.

Полный размер

Тканевые компоненты зуба. В самом зубе имеются

мягкое вещество - пульпа - и
окружающее её твёрдое вещество.

Пульпа (5) заполняет

внутрикоронковую полость и
корневые каналы.

Она образована рыхлой волокнистой соединительной тканью, в которой проходят сосуды и нервы.

Твердое вещество зуба.

В твёрдом веществе зуба различают 3 части.

Дентин (6) - образует основную часть коронки, шейки и корня.

Эмаль - покрывает дентин в области коронки, достигая 3,5 мм в толщине.

а приведённом снимке эмаль не видна, т.к. разрушается при декальцинации.)

Цемент - покрывает дентин в области корня и шейки слоем около 1 мм толщиной.

Теперь кратко охарактеризуем строение четырёх названных компонентов зуба.

23.2.6.3. Пульпа

Рисунок с препарата - декальцинированный однокорневой зуб в альвеоле челюстной кости; продольный срез.
Окраска гематоксилин-эозином.


а)
Как уже отмечалось, основа пульпы (I) - рыхлая волокнистая соединительная ткань.

б) Но в данной ткани содержатся и специфические клетки.
По этому признаку в пульпе различают
три слоя. -

Полный размер

Центральный
слой
(1)
Промежуточный
слой
(2)
Периферический
слой
(3)
Cостав слоя:

а) клетки -
фибробласты,
макрофаги;

б) многочисленные сосуды с окружающими их адвентициальными клетками;

в) коллагеновые волокна.

Здесь располагаются мелкие клетки -

предшественники одонтобластов.

а) Этот слой включает несколько рядов одонтобластов (дентинобластов) -

многоотростчатых клеток грушевидной формы.

б) Самый длинный отросток каждой клетки идёт от её базальной части вглубь дентина (5) - внутри дентинного канальца (6).

в) С помощью этого отростка происходит питание дентина и эмали.

23.2.6.4. Дентин

Обызвествлённый дентин.

Основное вещество дентина (5) состоит

а) на 72 % - из неорганических веществ: Са3 (РО4)2 ,
Мg3 (РО4)2 ,
CaF2 ;

б)
на 28 % - из органических
веществ:

коллагеновых волокон
и протеогликанов.
Необызвествлённый дентин.

а) На границе с пульпой находится полоска предентина (4) - ещё необызвествлённого дентина.

б) А. Участки необызвествлённого дентина обнаруживаются также в периферических слоях дентина (и в коронке, и в корне);

это т.н. интерглобулярные пространства.

Б. В корне зуба (на границе с цементом) они образуют зернистый слой.

Дентинные канальцы.

Основное вещество дентина (5) пронизано дентинными канальцами (6), которые

идут в радиальном направлении, создавая характерную поперечную исчерченность,

и содержат отростки одонтобластов и тканевую жидкость.

23.2.6.5. Эмаль

I. Приготовление препарата зуба с эмалью

6. Препарат - шлиф однокоренного зуба (препарат не окрашен);
электронная микрофотография - эмалевые призмы зуба.


а)
Приведённый препарат приготовлен путём шлифования зуба (до очень тонкой пластинки) на шлифовальном станке.

б) Это позволяет избежать декальцинации, необходимой для приготовления среза на микротоме.

в) Поэтому, в отличие от предыдущего препарата 5, здесь остаётся эмаль (1).

Полный размер


II. Характеристика эмали

Локализация и состав эмали.

1. Напомним: эмаль покрывает дентин в области коронки зуба.

2. В эмали неорганические компоненты составляют 96-97%. Это

кристаллы гидроксиапатита ( [Са3(РО4)2]3 Cа(ОН)2 ), а также
СаСО3 и
CaF2.

Эмалевые призмы

а) Кристаллы перечисленных веществ объединяются в т.н. эмалевые призмы.

б) Начальные участки призм перпендикулярны поверхности эмали.

в) Но затем призмы имеют S-образный ход,
отчего на препаратах оказываются

и продольные,
и поперечные их срезы.

г) Поэтому на шлифе зуба в эмали видны чередующиеся параллельные полосы:

светлые (продольные сечения призм) и
тёмные (поперечные сечения призм).

д) Между призмами находится склеивающее вещество.

Электронная
микрофотография:
эмалевые призмы зуба
Поверхности эмали.

1. Наружная поверхность эмали покрыта тонкой кутикулой, которая

на жевательной поверхности зуба быстро стирается,
а в области шейки зуба сращена с многослойным эпителием, покрывающим десну.

2. На внутренней поверхности эмали, т.е. на границе с дентином (2), имеются взаимные интердигитации, связывающие эмаль и дентин друг с другом.

23.2.6.6. Цемент

Локализация и состав цемента.

1. Как уже отмечалось, цемент (3) покрывает дентин в области корня и шейки зуба.

2. а) Состав цемента близок к составу дентина (см. выше):

70 % - неорганические вещества Са3 (РО4)2 ,
СаСО3 )
,
30 % - органические
в-ва
компоненты
коллагеновых волокон и
аморфно
го вещества
б) Однако, в отличие от дентина, в цементе нет поперечной исчерченности, обусловленной отростками одонтобластов.
Связь с периодонтом.

а) Некоторые из коллагеновых волокон цемента идут в радиальном направлении, продолжаясь далее

в периодонт и затем -
в костное вещество челюсти.

б) Питание цемента происходит путём диффузии веществ из кровеносных сосудов периодонта.

Два типа цемента.

Различают 2 типа цемента.

а) Бесклеточный цемент:

преобладает в верхней части корня,
не содержит клеток и их отростков.

б) Клеточный цемент (1):

находится в нижней части корня (а в многокоренных зубов - у разветвления корней);
содержит клетки -
цементоциты (2), имеющие многочисленные отростки.

Рисунок с препарата - шлиф зуба.
Замечание к рисунку.

На приведённом рисунке также показана периферическая часть дентина. В ней видны

дентинные канальцы (3) и

околоцементный зернистый слой дентина (4), образованный интерглобулярными пространствами (участками необызвествлённого дентина).

23.2.6.7. Обобщающая таблица

Суммируем основные сведения о тканях зуба. –

ПУЛЬПА ДЕНТИН ЭМАЛЬ ЦЕМЕНТ
1. Клетки:

одонтобласты,
их предшественники,
клетки соединительной ткани.


2. Коллагеновые волокна.

3. Сосуды.

1. Неорг. в-ва -
72% :

Са3 (РО4)2 ,
Мg3 (РО4)2 ,
CaF2 .

2. Волокна и аморфное вещество.

3. В основном веществе -

дентинные канальцы,
интер-
глобулярные пространства.

1. Неорг. в-ва -
96%:

Са3 (РО4)2,
СаСО3,
CaF2,
Cа(ОН)2 .

Они образуют эмалевые призмы.

2. На поверхности - тонкая кутикула.

1. Неорг. в-ва -
7
0%:

Са3 (РО4)2,
СаСО3.


2. Волокна и аморфное вещество.


3. Кроме того, в
клеточном цементе (нижняя часть корня) - клетки: цементоциты.

Питание - за счёт собственных сосудов. Питание - из пульпы через отростки одонтобластов в дентинных канальцах. Питание - путём диффузии в-в из периодонта.

23.2.6.8. Развитие зуба: общая схема

1. В общем виде развитие зуба отражается схемой. –
ЭПИТЕЛИЙ
РОТОВОЙ ПОЛОСТИ
МЕЗЕНХИМА
ЗУБНАЯ ПЛАСТИНКА
(В ВИДЕ ВАЛИКА)
СКОПЛЕНИЕ
МЕЗЕНХИМНЫХ КЛЕТОК
ЭМАЛЕВЫЙ ТЯЖ,
РАСТУЩИЙ ПО НАПРАВЛЕНИЮ
К НИЖНЕЙ ЧЕЛЮСТИ
ЭМАЛЕВЫЙ ОРГАН
(КАК ДВУСТЕННАЯ ЧАША)
в т. ч.
ЗУБНОЙ СОСОЧЕК,
ВДАЮЩИЙСЯ
В ЭМАЛЕВЫЙ ОРГАН,
ЗУБНОЙ МЕШОЧЕК,
ОКРУЖАЮЩИЙ
ЗАЧАТОК ЗУБА
НАРУЖНЫЙ
ЭМАЛЕВЫЙ
ЭПИТЕЛИЙ

и
ЭМАЛЕВАЯ
ПУЛЬПА

ВНУТРЕННИЙ
ЭМАЛЕВЫЙ
ЭПИТЕЛИЙ -

АДАМАНТО-
(ЭНАМЕЛО-)
БЛАСТЫ

в т.ч.
на его поверхности
-

ОДОНТО- (ДЕНТИНО-) БЛАСТЫ

КУТИКУЛА ЭМАЛЬ ДЕНТИН ПУЛЬПА ЦЕМЕНТ

2. Таким образом, зуб развивается из двух источников:

из эпителия ротовой полости - эмаль и её кутикула,
из мезенхимы - остальные ткани зуба.

Теперь рассмотрим данный процесс более подробно.

23.2.6.9. Развитие зуба: ранняя стадия

а) На ранней стадии развития зуба образуется зубной зачаток.

б) Главные его компоненты -

эмалевый орган и
зубной сосочек.

Они представлены на следующем препарате.

7,а-б. Препарат - развитие зуба: стадия закладки зубного зачатка.
Разрез челюсти зародыша. Окраска гематоксилин-эозином.

а) (Малое увеличение)

Полный размер

б) (Большое увеличение)

Полный размер

Эпителий.

1. а) В левом углу снимка 7,а находится многослойный эпителий (1) ротовой полости зародыша (виден на полноформатном изображении).

б) Он состоит из крупных светлых клеток, богатых гликогеном.

2. а) От эпителия идёт эмалевый тяж (2) - узкий тяж эпителиальных клеток.

б) Тяж продолжается в эмалевый орган (3), имеющий вид светлой двустенной чаши.

Эмалевый орган.
В этом органе различают 3 части.-
Наружный эмалевый эпителий (4)

Составляет внешний слой "чаши";

представлен плоскими клетками.

Пульпа эмалевого органа (5) Это светлая центральная часть "чаши".

Образована отростчатыми клетками (имеющими, как и весь эмалевый орган, эпителиальное происхождение).

(В этом отличие эмалевой пульпы от пульпы сформированного зуба, развивающейся из мезенхимы).

Внутренний эмалевый эпителий (6). Составляет дно и внутреннюю стенку "чаши".

На этой стадии в составе данного эпителия находятся предшественники адамантобластов, или энамелобластов, -
клеток, которые на последующей стадии будут образовывать эмаль.

а) (Малое увеличение)

б) (Большое увеличение)

Зубной сосочек.

а) Второй компонент зубного зачатка - зубной сосочек (7) (производное мезенхимы); он вдаётся в эмалевый орган.

б) В соответствии с вышеприведённой схемой, из зубного сосочка образуются

дентин и
пульпа зуба.

Окружающие ткани

1. а) Вокруг зачатка зуба находится мезенхима, образующая зубной мешочек (8).

б) Из неё будет развиваться цемент зуба.

2. В правом верхнем углу снимка 7,а (на полноформатном изображении) - костные трабекулы (9) развивающейся челюсти зародыша.

23.2.6.10. Развитие зуба: поздняя стадия

На более поздней стадии из компонентов зачатков зуба развиваются ткани зуба -

эмаль и кутикула,
дентин,
цемент,
пульпа.

I. Внезубные ткани

8,а. Препарат - развитие зуба: стадия гистогенеза зуба.
Разрез челюсти зародыша. Окраска гематоксилин-эозином.


1. В верхней части снимка, как и в предыдущем случае, находится
многослойный эпителий (1) ротовой полости зародыша.


2. В ткани
зачатка челюсти - костные трабекулы (2) и окружающая мезенхима (3).


3. а) Вновь виден узкий эпителиальный тяж -
эмалевый тяж (4).

Полный размер

б) Только теперь он практически теряет связь и с эпителием слизистой оболочки, и с самим эмалевым органом.

в) Иногда его называют зубной пластинкой.


II. Производные эпителия: эмалевый орган;
о
бразование из него эмали и кутикулы

Преобразования эмалевого органа.

1. В ЭМАЛЕВОМ ОРГАНЕ ещё сохраняются все три известные нам компонента:

наружный эмалевый эпителий (5),
эмалевая пульпа (6),
внутренний эмалевый эпителий (7).

2. а) Но эмалевой пульпы становится существенно меньше;

поэтому в верхней части коронки наружный и внутренний эмалевые эпителии практически смыкаются друг с другом.

б) А. Причём, внутренний эпителий теперь представлен зрелыми адамантобластами (7).

Б. Это высокие клетки призматической формы, ориентированные перпендикулярно поверхности зубного сосочка.

Эмаль.

1. Продукт деятельности адамантобластов - эмаль.

2. Узкий слой образуемой эмали (8) виден в верхней части коронки зуба под адамантобластами (7).

3. При этом вещества-предшественники эмали

вначале концентрируются в гранулах адамантобластов,

затем перемещаются в составе этих гранул в отростки клеток,

выделяются наружу и формируют предэмалевые призмы.

Изменение полярности адамантобластов.

С началом продукции эмали адамантобласты меняют свою полярность.

1. Так, вначале сторона клеток, обращённая к зубному сосочку, была базальной,
и, соответственно, отсюда происходило питание этих клеток.

2. Но когда сюда начинается выделение компонентов эмали,

данная сторона становится апикальной,
ядро перемещается на противоложную сторону,
и питание после этого идёт со стороны эмалевой пульпы (6).

3. В последующем адамантобласты редуцируются,
так что эмаль оказывается покрыта только кутикулой.

Кутикула же, в соответствии со схемой (п. 23.2.6.8), образуется из

наружного эмалевого эпителия (5) и
эмалевой пульпы (6).


III.
Производные мезенхимы:
о
бразование дентина, пульпы и цемента

Одонтобласты.

1. Наружный слой клеток зубного сосочка на данной стадии представлен одонтобластами (или дентинобластами) (9).

2. Они (как и весь зубной сосочек) имеют мезенхимное происхождение (пп. 23.2.6.8 и 23.2.6.9.III).

3. Тем не менее, они во многом похожи на эпителиальные клетки адамантобласты (7):

тоже являются высокими и призматическими,

ориентированы перпендикулярно поверхности сосочка,

имеют на апикальной поверхности (обращённой к эмалевому органу) отростки (не видимые на снимке).

4. Но, в отличие от адамантобластов, одонтобласты

не редуцируются впоследствии,
а сохраняются в качестве наружного слоя пульпы (п. 23.2.6.3).

Дентин.

1. Продукт деятельности одонтобластов - ДЕНТИН (10).

2. Он формируется со стороны апикальной поверхности одонтобластов.-

Вначале одонтобласты выделяют (через свои отростки) органические компоненты будущего дентина,
которые
образуют матрицу дентина - предентин.

Затем секретируются минеральные вещества; они пропитывают матрицу.

При этом вокруг самого длинного отростка остаётся дентинный каналец (чем обусловлена радиальная исчерченность дентина на снимке).

3. Заметим: дентин формируется раньше эмали;
поэтому на некоторых препаратах виден только дентин (без лежащей снаружи эмали).

Пульпа зуба.

1. Под одонтобластами, в глубине зубного сосочка, мезенхимные клетки постепенно превращаются в соединительнотканные клетки ПУЛЬПЫ ЗУБА (11).

2. а) В определённое время эти клетки начинают с повышенной скоростью продуцировать аморфное вещество ткани.

б) Поэтому в пульпе возрастает давление, стимулирующее прорезывание зуба.

Цемент, в соответствии с п. 23.2.6.8, образуется из зубного мешочка, окружающего зачаток зуба


I
V. Большое увеличение: производные эпителия и мезенхимы в развивающемся зубе

8,б. Препарат - развитие зуба: стадия гистогенеза зуба.
Разрез челюсти зародыша. Окраска гематоксилин-эозином.

1. Здесь мы видим под большим увеличением верхнюю часть коронки формирующегося зуба.

2. В поле зрения - следующие структуры.

Полный размер

а) Произ-
водные
эпителия
Адамантобласты, или
энамелобласты (2)

А. На верхушке зуба они
сильно уплощены (редуцированы) и
примыкают к кутикулярным клеткам наружного эмалевого эпителия (1).

Б. В остальных местах сохраняют высокую форму.

Эмаль (3) На её периферии - светлый слой формирующейся эмали (3.А), в котором находятся отростки адамантобластов.
б) Мезенхима и её
производные
Дентин (4) Образует толстый слой с радиальной исчерченностью, обусловленной дентинными канальцами.
Одонтобласты, или
дентинобласты (5)
Эти клетки крупней адамантобластов,

и их отростки уходят в дентинное вещество.

Внутренние слои формирующейся пульпы зуба (6) и
мезенхима (7), окружающая зубной зачаток.

23.3. Пищевод

23.3.1. Общий вид

1. Пищевод - это участок пищеварительной трубки, соединяющий полость глотки с полостью желудка.

2. Он имеет 3 сужения

в месте перехода глотки в пищевод (1),

примерно посередине - в месте прилегания к аорте (2),

в месте прохождения через диафрагму (3).

3. а) На внутренней поверхности пищевода слизистая оболочка и подслизистая основа образуют 7-10 продольных складок.

б) При прохождении пищи соответствующий участок пищевода расширяется и складки распрямляются.

Рисунок - пищевод.

23.3.2. Гистологическое строение

Начиная с пищевода, строение стенки пищеварительной трубки хорошо отвечает тому общему плану, который приводился в п. 23.1.2.

23.3.2.1. Слои стенки

В соответствии с упомянутым планом, в стенке пищевода - следующие части:

слизистая оболочка (I),

подслизистая основа (II),

мышечная оболочка (III),

адвентициальная оболочка (IV),

которая в брюшном отделе заменяется на серозную оболочку.

9,а. Препарат - пищевод;
поперечный срез верхней трети.
Окраска гематоксилин-эозином.

Полный размер

23.3.2.2. Слизистая оболочка и подслизистая основа

9,б-в. Препарат - пищевод; поперечный срез верхней трети.
Окраска гематоксилин-эозином.

б) (Среднее увеличение)

Полный размер

в) (Большое увеличение)

Полный размер

а) Здесь на большем увеличении представлены

слизистая оболочка (I) и
подслизистая основа (II) пищевода.

б) Ниже перечисляется их состав.

I. Слизистая оболочка.
I-1. Эпителий а) Многослойный плоский неороговевающий эпителий (1) (п. 7.2.3.2).

б) В пожилом возрасте эпителий становится частично ороговевающим.

I-2. Собственная
пластинка (2)
слизистой
оболочки
а) Рыхлая волокнистая соединительная ткань (эозинофильная на препарате из-за наличия коллагеновых волокон).

б) А. В двух отделах пищевода здесь лежат кардиальные железы пищевода (на снимке не видны):

на уровне перстневидного хряща гортани и
у входа в желудок.

Б. Железы - простые трубчатые (как в желудке);
содержат не только
экзокринные, но и эндокринные клетки.

I-3. Мышечная
пластинка
слизистой
оболочки
а) В верхней трети пищевода - отдельные продольные пучки гладких миоцитов (3);

б) в нижних отделах пищевода они сливаются в единую пластинку.

II. Подслизистая основа.

а) Рыхлая волокнистая соединительная ткань с большим содержанием адипоцитов.

б) А. Здесь же - концевые отделы собственных желёз пищевода (4).

Б. Характеристика желёз:

по морфологии - сложные разветвлённые альвеолярно-трубчатые;
по природе секрета - слизистые;
выводные протоки (5) - проходят через слизистую оболочку и открываются на поверхности эпителия.

23.3.2.3. Другие слои стенки

9,г. Препарат - пищевод; поперечный срез верхней трети. Окраска гематоксилин-эозином.
Вновь обратимся к малому увеличению препарата стенки пищевода и
перечислим состав оставшихся двух оболочек -

мышечной (III) и

адвентициальной (IV).

Полный размер

III. Мышечная оболочка.

а) Содержит 2 слоя:

внутренний (6) - у человека он циркулярный,
а у собаки (см. препарат) - продольный;
наружный слой (7) - у человека - продольный,
у собаки (см. препарат) - циркулярный.

б) В начале и в конце пищевода циркулярный слой образует 2 сфинктера.

в) Тип мышечной ткани в этой оболочке (но не в слизистой !) зависит от уровня пищевода:

верхняя треть - поперечнополосатая мышечная ткань,
средняя треть - и поперечнополосатая,
и гладк
ая мышечные ткани;
нижняя треть - только гладкая мышечная ткань (у человека; у собаки - оба типа).

г) В составе мышечной оболочки мы видим также интрамуральный ганглий (8).

IV. Адвентициальная (серозная) оболочка.

а) Основа оболочки - рыхлая волокнистая соединительная ткань,
содержащая много сосудов и нервов.

б) В брюшном отделе оболочка покрыта ещё мезотелием.

23.3.3. Иннервация пищевода

23.3.3.1. Интрамуральный нервный аппарат

В пищеварительной трубке хорошо развит интрамуральный нервный аппарат (пп. 14.1.3 и 14.2.2.3).

Виды нервных сплетений.

1. В общем случае указанный аппарат содержит 3 нервных сплетения:

подслизистое (I) - в подслизистой основе,

межмышечное (II) - между двумя слоями мышечной оболочки,

подсерозное (III) или субадвентициальное - на границе между мышечной и серозной (адвентициальной) оболочками.

2. В пищеводе имеется ещё

адвентициальное сплетение.

Рисунок - схема интрамуральных нервных сплетений пищеварительного тракта.

Состав сплетений:

а) чувствительные нервные окончания (свободные и несвободные) - в эпителии, соединительной и мышечной ткани;

б) нервные узлы с телами нервных клеток всех функциональных типов:

чувствительных,
ассоциативных и
эффекторных (парасимпатических);

в) отростки ассоциативных и эффекторных нейронов.

Рефлекторные дуги.

С участием интрамуральных сплетений могут замыкаться рефлекторные дуги различной протяжённости -

местные, или периферические (п. 14.1.3.5);
дуги, включающие ядра спинного мозга;
дуги, включающие ядра головного мозга.

23.3.3.2. Препарат интрамурального ганглия

9,д. Препарат - пищевод;
поперечный срез верхней трети.
Окраска гематоксилин-эозином.


1. На данном снимке - поперечнополосатая мышечная ткань мышечной оболочки (III) пищевода.

2. В толщине этой ткани - интрамуральный ганглий (8).

Полный размер

23.3.4. Развитие пищевода

1. Сведения о развитии пищевода приведены в п. 23.1.3.1. Согласно им,

эпителий пищевода развивается из энтодермы передней кишки,
остальные слои - из окружающей мезенхимы.

2. Примечательно, что в процессе развития тип эпителия пищевода неоднократно меняется. –

ЭНТОДЕРМА ПЕРЕДНЕЙ КИШКИ
(ПРЕХОРДАЛЬНАЯ ПЛАСТИНКА)
1. ОДНОСЛОЙНЫЙ ПРИЗМАТИЧЕСКИЙ ЭПИТЕЛИЙ
2. ДВУСЛОЙНЫЙ ПРИЗМАТИЧЕСКИЙ ЭПИТЕЛИЙ
3. МНОГОРЯДНЫЙ МЕРЦАТЕЛЬНЫЙ ЭПИТЕЛИЙ
4. МНОГОСЛОЙНЫЙ ПЛОСКИЙ НЕОРОГОВЕВАЮЩИЙ ЭПИТЕЛИЙ
5. МНОГОСЛОЙНЫЙ ПЛОСКИЙ ЧАСТИЧНО ОРОГОВЕВАЮЩИЙ ЭПИТЕЛИЙ